- Главная
- Продукция
- Кабельные вводы, переходники
- Вентиляционное и дренажное устройства ВЗ-Св, ВЗ-С с видом взрывозащиты “d”, “e”, “t”
Вентиляционное и дренажное устройства ВЗ-Св, ВЗ-С с видом взрывозащиты “d”, “e”, “t”
| Маркировка взрывозащиты | Степень защиты | T, °С | ||
| Газовая среда | Пылевая среда | Рудничная среда | ||
| 1Ex db IIC Gb 1Ex eb IIС Gb | Ex tb IIIC Db | РВ Ex db I Мb | IP66 | -60°С…+230°С |
-
Климатическое исполнение: УХЛ1 (по требованию УХЛ2, УХЛ3, УХЛ4, УХЛ5, ХЛ1, ХЛ2, ХЛ3, ХЛ5, Т1, Т2, Т3, Т5, OM1, OM2, OM3, OM4, В2.1з, В5, О, В, М)
Материал: никелированная латунь;
нержавеющая сталь (AISI 304, AISI 316)
-
Применение
Вентиляционное и дренажное устройства ВЗ-Св, ВЗ-С обеспечивают корректировку перепадов атмосферного давления, вытекание водяного конденсата из оборудования и поддерживают целостность вида взрывозащиты
| Х1 ВЗ-С Х2 /QQ | ||||||||||
| Х1 | – | материал: | ||||||||
| без знака – никелированная латунь | ||||||||||
| Н – нержавеющая сталь | ||||||||||
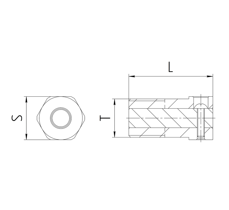
| ВЗ-С | – | дренажное устройство с видом взрывозащиты “d”, “e”, “t” | ||||||||
| (ВЗ-Св) | (вентиляционное устройство с видом взрывозащиты “d”, “e”) | |||||||||
| Х2 | – | обозначение размера присоединительной резьбы: | ||||||||
| 16 и т.д. – для метрической резьбы М16 х 1,5-6g; | ||||||||||
| – | специальное исполнение | |||||||||
| ПРИМЕР: НВЗ-С16 | ||||||||||
-
Применение
Взрывозащищенные резьбовые заглушки предназначены для безопасной герметизации в корпусах электрического оборудования, используемого во взрывоопасных зонах. Они обеспечивают защиту от проникновения газов, пыли и влаги, предотвращая искрообразование и возможность воспламенения внутри корпусов оборудования. Заглушки используются для поддержания целостности взрывозащищенных оболочек, гарантируя безопасную эксплуатацию электрических систем в агрессивных средах.
-
Собственная разработка
Взрывозащищённые вентиляционные и дренажные устройства ВЗ-Св, ВЗ-С собственной разработки, изготавливаются из различных материалов и устойчивы к перепадам температур от -60 до +230 °C, что позволяет использовать их в сложных условиях эксплуатации.
-
Простота монтажа
Вентиляционное и дренажное устройства ВЗ-Св, ВЗ-С спроектированы с учётом удобства и скорости монтажа. Унифицированные размеры под монтажный ключ позволяют использовать стандартный инструмент для установки, минимизируя необходимость в дополнительном оборудовании. Заглушки выпускаются с различными типами резьбы, что делает их совместимыми с различными системами и обеспечивает гибкость при монтаже в любых условиях.
-
Длительный срок службы
Заглушки изготавливаются из различных материалов, включая никелированную латунь, нержавеющую сталь 304/316. Стандартная гарантия составляет 24 месяца с возможностью расширения до 36 месяцев.
| Номер | Технические регламенты и условия | Стандарты | Примечание |
| ЕАЭС RU С-RU.HB82.В.00326/24 | ТР ТС 012/2011 | ГОСТ 31610.0-2019; ГОСТ IEC 60079-1-2013; ГОСТ 31610.7-2017; ГОСТ 31610.15-2020; ГОСТ IEC 60079-31-2013 | О безопасности оборудования для работы во взрывоопасных средах |
| СПЦТ.301172.003 ТУ | ТУ | Арматура взрывозащищенная | |
| 21.00205.185 | РМРС | Соответствие требованиям Российского морского регистра судоходства |
Нефтегазовая
Химическая
Целлюлозная
Энергетическая
Судостроительная