- Главная
- Продукция
- Компоненты
- Переключатель ВЕ-РС
Переключатель ВЕ-РС
Характеристики
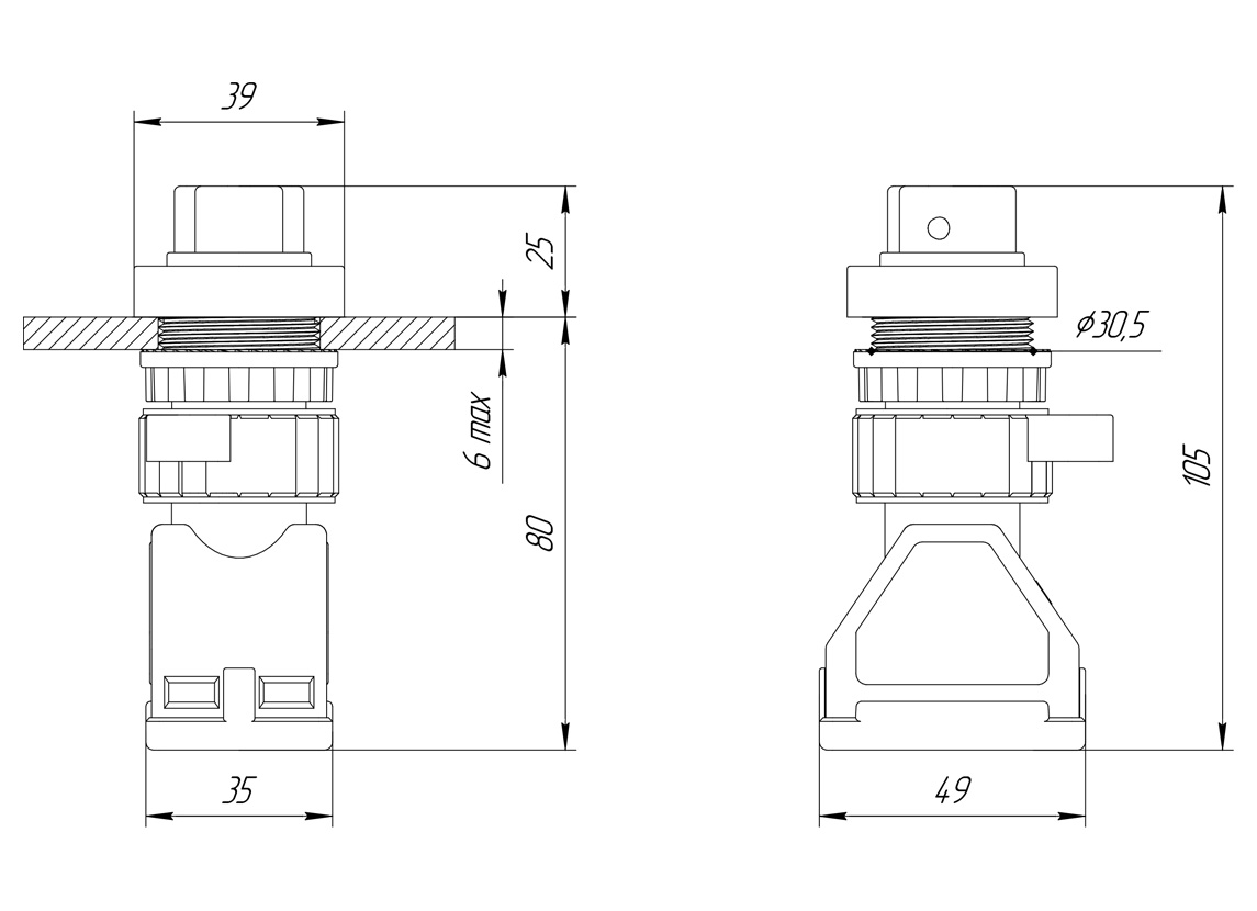
Размеры
Код заказа
| Маркировка взрывозащиты | Степень защиты | T, °С | ||
| Газовая среда | Пылевая среда | Рудничная среда | ||
| Ex db eb IIC Gb U, Ex ia IIC Ga U, | Ex tb IIIC Db U, Ex ia IIIC Da U | Ex db eb I Mс U, Ex ia I Ma U | IP66/IP67/IP68 | -60°С…+100°С |
-
Описание
Кнопки конструктивно представляют собой сборку из контактного блока и кнопочного элемента. Контактный блок имеет корпус из полиамида и смонтированные внутри подпружиненные нажимные элементы и клеммные зажимы. Кнопочный элемент представляет собой подпружиненный нажимной элемент, смонтированный в корпусе из полиамида. Материал уплотнительных колец – силикон. Конструктивно нажимная головка кнопки может быть выполнена в различных исполнениях. Контактный блок имеет различные электрические схемы.
| ВД | -Х1 | (Х2) | -Х3 | -Х4 | -Х5 | /Q | |||||||
| ВД | – | взрывонепроницаемый элемент с видом взрывозащиты “d”, ” i”, “t” (кнопка/переключатель/индикатор) | |||||||||||
| Х1 | – | тип кнопки/переключателя/индикатора | |||||||||||
| Х2 | – | цвет вставки/светопропускающего элемента/ индикатора (если применимо) | |||||||||||
| Х3 | – | обозначение контактной группы кнопки (если применимо) | |||||||||||
| Х4 | – | обозначение номинального напряжения питания светового индикатора (если применимо) | |||||||||||
| Х5 | – | обозначение рода тока питания (если применимо) | |||||||||||
| Q | – | опции, аксессуары и исполнения | |||||||||||
| ПРИМЕР: ВД-НК(Ч)-11 | |||||||||||||
| Номер | Технические регламенты и условия | Стандарты | Примечание |
| ЕАЭС RU С-RU.HB82.В.00380/25 | ТР ТС 012/2011 | ГОСТ 31610.0-2019; ГОСТ IEC 60079-1-2013; ГОСТ 31610.7-2017; ГОСТ 31610.11-2014; ГОСТ IEC 60079-14-2013; ГОСТ 31610.18-2016; ГОСТ IEC 60079-31-2013 | О безопасности оборудования для работы во взрывоопасных средах |
| СПЦТ.301172.004 ТУ | ТУ | Взрывонепроницаемые и взрывозащищенные управляющие и индикаторные элементы |
Отрасли
применения
Отрасли
применения
Нефтегазовая
Химическая
Целлюлозная
Энергетическая
Судостроительная